ЗИМНЯЯ ВСТРЕЧА 26
Форум самогонщиков Сайт Барахолка Магазин ЗИМНЯЯ ВСТРЕЧА 26

Автоматика Самовар

Форум самогонщиков Вопросы по электр(он)ике
1 ... 176 177 178 179 180 181 182 ... 191 179
kvic Магистр Тула 254 87
Отв.3560  09 Окт. 25, 15:24
обезгаживаласьChernik_, 06 Окт. 25, 21:40
Автоматика Самовар
Автоматика Самовар. Вопросы по электр(он)ике.

дегазировалась
Автоматика Самовар
Автоматика Самовар. Вопросы по электр(он)ике.
ais77 Специалист Москва 154 183
Отв.3561  27 Окт. 25, 22:41
Датчик уровня воды для клапана долива в парогенератор НБК

После немалого (пять разных вариантов датчиков) пути проб и ошибок, делюсь найденным, похоже, идеальным решением - бесконтакт на внешней трубке уровня.
Все три моих требования, наконец, соблюдены: надёжно, просто, бюджетно.
Контактные оказались очень чувствительны к помехам, прилетающим по воде(!) из водопровода, либо просто отказывались работать при положении контактов один над другим (как у меня в трубке) - т.е. при использовании одного канала измерения сопротивления (внезапно).

Основа (за наводку спасибо Kuban) - недорогой емкостной датчик XKC-Y23A-NPN, аналог нашего датчика уровня флегмы, но попроще - спирт не распознаёт, зато воду довольно надёжно. Пины: синий - земля, коричневый - 5В, чёрный - выход:
XKC-Y23A-NPN.png
XKC-Y23A-NPN. Автоматика Самовар. Вопросы по электр(он)ике.
pinout.jpg
Pinout. Автоматика Самовар. Вопросы по электр(он)ике.


Воду уверенно определяет в силиконовой трубке _внутренним_ диаметром 6+мм, на 5-миллиметровой не очень стабильно, лучше не рисковать. К трубке прикреплён стяжками, можно удобно двигать по ней, настраивая нужный уровень:
hold.jpg
Hold. Автоматика Самовар. Вопросы по электр(он)ике.

Кнопку калибровки нужно нажать когда уровень воды выше датчика, он запомнится и при отключении питания не сбросится уже.

Питается от 5 вольт, поэтому если у вас, как и у меня, исполнительный клапан на долив воды 12-вольтовый - нужна понижайка 12=>5. Такая же, как мы используем в Самоваре (MP1584EN или аналогичная), вполне подойдёт.

В качестве исполнительного реле для клапана удобно использовать типовой Arduino-модуль MOSFET на 5В же, типа такого:
mosfet.png
Mosfet. Автоматика Самовар. Вопросы по электр(он)ике.

Он три ампера уверенно держит = на клапан (штатно потребляющий ~500мА) точно хватит.

Важный момент - выход датчика нужно подтянуть к плюсу через резистор 620 Ом, тогда мосфет срабатывает чётко:
wiring.png
Wiring. Автоматика Самовар. Вопросы по электр(он)ике.


Платки понижайки и мосфета просто сложены бутербродом (через изолирующую прокладку, естественно) и обмотаны скотчем, подводящие провода прихватил стяжкой - точно в процессе эксплуатации от плат не оторву):
assembly.jpg
Assembly. Автоматика Самовар. Вопросы по электр(он)ике.


Исполнительный клапан на быстросъёмах под ПВХ трубки (удобно в моих сборно-разборных условиях):
valve.jpg
Valve. Автоматика Самовар. Вопросы по электр(он)ике.


И датчик в работе на кубе во время погона на НБК:
NBK.jpg
NBK. Автоматика Самовар. Вопросы по электр(он)ике.


Тремора при включении-отключении клапана нет вообще, гистерезиса датчика хватает с головой

.
dranek Доктор наук Минск 568 553
Отв.3562  29 Окт. 25, 02:52
Мод Самовара от меня. Заточен под ESP32S3. Но.
Посмотрел на свои собранные Самовары на ESP32 DEVKIT v.1 и мне захотелось портировать свой мод и туда. Поотлаживал с недельку и заработало. Не S3 конечно, однако тянет со скрипом. Было лень менять дисплей и я откопал стюардесу (Liquid Cristal), заодно нашел библиотеку без варнинга. Второй насос над ЦП подключается вместо энкодера, пины STEPPER2_STEP 19, STEPPER2_DIR 18, STEPPER2_EN 23. Если не задействован под воду пин 4 можно использовать его под вентилятор корпуса.
Непонятно почему при прочих равных здесь в HEAP почти в два раза меньше свободного места.

Прошивать так: Arduino IDE 2.3.6, SDK 2.0.11 плата ESP32 DEV MODULE, Erase All Flash Before Sketh Upload: Enable, Partations Sheme: Minimal SPIFFS (разметка все равно подтягивается из partations.csv). Библиотеки где обычно.
Запуск: в Samovar_ini.h вбиваем логин и пароль WiFi (не обязательно, но удобно), выбираем дисплей (можно и без), выбираем наличие OTA и LUA скриптов. Разгон двигателей насосов не тестировал, но решил оставить эту возможность. Не нужно включать загрузку интерфейса из сети, его там правильного нет. Остальные параметры теперь в Setup.htm. Прошиваемся в первый раз обязательно по USB кабелю. Если модуль новый дайте ему после прошивки не трогая поработать минут 10. Увидели при загрузке на дисплее или в мониторе com порта IP адрес и заходим в браузере по нему, следим чтоб браузер не пытался использовать https. Если WiFi не прописывали либо Самоварыч не смог к нему подключиться он поднимет точку доступа с паролем 12345678, подключаемся к ней.
Попадаем на тех страницу, на ней можно прописать второй SSID и пароль от, WIFI и сохранить с перезагрузкой. Опять туда, Если файловая система не инициализирована нужно её отформатировать, нажав Format FS. Если форматирована, то нажав на эту кнопку ничего не испортите.
Далее нужно залить на флэш файлы из папки data. Жмем Выбрать файлы, находим папку, выбираем внутри все файлы (Ctrl+A), жмем Открыть. После этого Upload Selected. После паузы в несколько секунд в центре страницы должен появиться зеленый алерт, значит загрузка успешна. Если алерт красный, значит загрузка не удалась. Можно попробовать выбирать меньшее количество файлов за раз.
После загрузки файлов жмем Exit to Main и попадаем в интерфейс Самоварыча. Там почти всё как было, только немного больше. В настройках теперь всё то что было в Samovar_ini. Т.е., например, если вы захотели использовать другой регулятор перепрошиваться не нужно, только перезагрузиться. После изменения настроек связанных с сетевой и аппаратной конфигурацией лучше перезагружать Самоварыч, может вдруг заглючить. А вот режимы можно менять не перезагружаясь. Из регуляторов у меня есть только StabAVR (его желательно прошить версией из соответствующей папки чтобы заработала обратная связь) и мой (пользуюсь им). Поэтому на остальных проверить не могу. Будут багоотчеты, буду править. Тоже касается насоса воды, датчика протока воды и режима Пиво. Пару ректификаций я на этой прошивке сделал, правда на ESP32S3. Сразу отвечу зачем нужна строка состояния пинов - для проверки проходжения сигнала от датчика захлёба, для более четкого понимания процесса, например видим что на кнопках, что на реле и т.п. Поменял местами температуры согласно их физическому расположению чтоб не путаться. Перенес на главную кнопки Установить температуру отбора тела и Установить скорость насоса. Чисто для удобства. Добавил управление узлом разбора, почему нет то? Еще пооптимизировал всякого разного, особо не заметно внешне.
Фасад.png
Фасад. Автоматика Самовар. Вопросы по электр(он)ике.

S1.png
S1. Автоматика Самовар. Вопросы по электр(он)ике.

s2.png
S2. Автоматика Самовар. Вопросы по электр(он)ике.

Samovaritch_6_25_mod_v1.1.1.zip Samovaritch_6_25_mod_v1.1.1.z01
Это первый блин, возможны баги, однако то что нужно конкретно мне работает.
AlexTarasov Студент Киржач 13
Отв.3563  29 Окт. 25, 18:12
Добрый вечер! Я впервые общаюсь с сообществом. И наверное не самое лучшее начинать общение с просьбы. Но так уж складываются обстоятельства. Ищу печатную плату для изготовления устройства Самовар. В свою очередь могу помочь с печатью на 3D принтере. Кто располагает оставшейся после изготовления, просьба поделиться (с оплатой договоримся).
Fnr Специалист Иркутск 128 11
Отв.3564  30 Окт. 25, 02:25
При функции брожение. через 4-5 дней самовар перестает открывать клапан. не помогает не перезагрузка не отключение. при чем на реле лампочка горит что открыт, а по факту контакт не замкнут
Kuban Доктор наук Краснодар 659 518
Отв.3565  30 Окт. 25, 05:31
при чем на реле лампочка горит что открыт, а по факту контакт не замкнутFnr, 30 Окт. 25, 02:25
Если светодиод на модуле реле загорается, то проблема не в Самоваре.
fok52 Студент Нижний Новгород 47 7
Отв.3566  30 Окт. 25, 11:57
Fnr, если коммутируется не 220в, предполагаю 12в не могут пробить оксидную плёнку на контактах реле, для 12в использую транзистор
сообщение удалено
Fnr Специалист Иркутск 128 11
Отв.3567  30 Окт. 25, 12:36 (через 40 мин)
Fnr, если коммутируется не 220в, предполагаю 12в не могут пробить оксидную плёнку на контактах реле, для 12в использую транзисторfok52, 30 Окт. 25, 11:57
была пленка на коннекторе который вставляется в реле. всех благодарю за участие.
Kuban Доктор наук Краснодар 659 518
Отв.3568  30 Окт. 25, 16:42
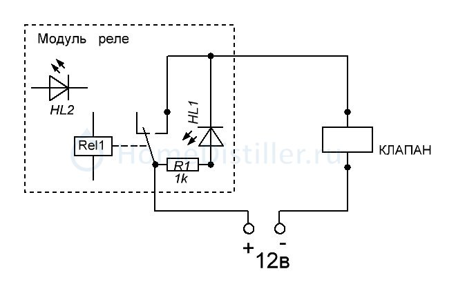
Если используется клапан постоянного тока 5-24, то из светодиода и резистора легко организовать систему контроля целостности цепи. Сразу будет видно ЧТО не работает.Kuban, 30 Окт. 25, 12:31
Схема
Целостность цепи.JPG
Целостность цепи. Автоматика Самовар. Вопросы по электр(он)ике.

- При подаче питания 12 вольт, загорится светодиод HL1. Если цепь неисправна или клапан не подключен, светодиод не загорится.
- При подачи команды Самоваром "Открыть клапан" загорится светодиод HL2, что говорит о том что с самовара пришла логическая единица. Реле замкнет контакты, клапан включится, светодиод HL1 погаснет.

- Если команда с Самовара пришла, реле включилось, а светодиод HL1 не погас, значит проблема с контактами реле.
- Если команда с Самовара пришла, реле включилось, светодиод HL1 погас, а клапан не открылся, значит это механическая проблема клапана.
- Если команда с Самовара пришла, реле включилось, светодиод HL1 погас, клапан открылся, а вода не пошла... Значит вы забыли открыть кран ))
dranek Доктор наук Минск 568 553
Отв.3569  31 Окт. 25, 01:57
Самоварыч v.1.2.1.
Минус пара багов. Соответствует текущему Самовару 6.25.
Переход на SDK v.3.3.2 - это обязательно. Позволило увеличить размер свободного места в HEAP, что существенно добавило стабильности и как следствие скорости. Теперь работает без скрипа. Для еще большей поворотливости рекомендую отключать OTA и LUA. При отключении OTA для увеличения места под логи во флэш памяти нужно перед запуском Arduino IDE скопировать из папки partation_shemes в папку со скетчем соответствующий файл partations.csv. Шить с обязательной полной очисткой флэш памяти (Erase All Flash Before Sketh Upload: Enable, Partations Sheme: "Custom").
Samovaritch_v1_2_1.zip
Путь к успехуЧто сделано в прошивке.

1. Отказ от библиотеки сервопривода и переписывание библиотеки ESP32PWM с возможностью явного указания для шима пина таймера и канала.

2. Убран wi-fi manager.

3. В Samovar_ini.h, EEPROM, SamSetup и Setup.htm добавлены ssid и pass. Сначала попытка подключения к прошлой точке доступа, затем к той что в SamSetup, затем из Samovar_ini.h. Таким образом первое подключение продолжительное, повторные быстрые. Можно использовать две разных точки доступа. Если не удалось подключиться ни к одной поднимается своя Samovar с паролем 12345678, через неё можно работать, можно в setup.htm задать новые ssid и pass, перезагрузиться и подключиться к точке доступа.

4. Убрана поддержка дисплея liquid cristal и энкодера. Убрано меню. Взамен добавлен дисплей oled i2c 128/64 px. На него при загрузке выводится количество найденных датчиков температуры DS18B20 и NTC, SSID подключенной точки wi-fi и полученный IP либо сообщение о поднятии своей точки доступа, диагностические сообщения: неисправность файловой системы...
Во время работы на дисплей вывадятся в 2 столбца:
Время. Продолжительность работы.
Статус.
Температура пара. Дельта температур пара и царги.
Температура царги. Температура ТСА.
Температура куба. Температура воды.
Скорость отбора. Мощность/напряжение на ТЭНе.
SSID Wi-Fi. Давление ДД.
IP. Текущий RSSI.

5. Убраны все датчики атмосферного давления кроме BMP180. Убрана поддержка датчика давления mpx5010, убраны расширители портов для LUA. Убрано предварительное смачивание насадки.

6. Добавлен в логику и настройки второй насос для отбора голов над царгой пастеризации при ректе. Доделан index.htm для корректного вывода скорости второго насоса и отобранных объёмов. Перенесено ручное управление скоростью и кнопка перезадания опорных температур на первую вкладку, добавлено ручное управление вторым насосом.

7. Отказ от файлов профилей.

8. Переделано автоматическое форматирование spiffs. Теперь для этого нужно ответить в консоли Yes. После п.20 неактуально.

9. Переход полностью на ajax запросы с отказом от плейсхолдеров. Использование gzip сжатие html страниц. Подключение библиотеки ArduinoJASON для парсинга ответов страницы. Отказ от глобальной JsonStr. Добавлено слежение за фрагментацией HEAP в режиме отладки.

10. Отключение перезагрузки при смене режима работы.

11. Использование кастомных разметок флэш памяти.

12. Доделан протокол обмена с стабилизатором Stab AVR (добавлены символы M, C, T в начало ответов Самоварычу для асинхронности.) Все функции управления регулятором вынесены в модуль Power.ino.

13. Переход от эмуляции EEPROM к прямой работе с NVS. Плотность записи вырасла примерно в 40 раз. Снято ограничение на размер SamSetup 500 байт. Переделано сохранение SamSetup в виде отдельных записей NVS для экономии ресурса флэш на запись.

14. Добавлена поддержка расширителя I2C с термисторами. Сначала пытается читать DS18B20, затем термистор, если термистор есть используется значение с него. Добавлена в настройки возможность включения чтения с термисторов и/или с DS18B20.

15. Изменена функция и страница калибровки насоса. В режиме НБК калибруется насос НБК, 1000 мл, отдельный параметр шагов/мл в SamSetup и setup.htm.

16. В SamSetup и setup.htm добавлены: Все остальные параметры для НБК. Адрес сервера MQTT. Поправки NTC и их характеристика. Добавлено в "Пересканировать датчики" инициализация термисторов.

17. Доделана логика проверки связи с регулятором.

18. Добавлены в SamSetup и setup.htm параметры из Samovar_ini.h, почти все. Снижено количество перепрошивок для включения функций до минимума.

19. Создана предварительная страница первичной загрузки файлов в spiffs, можно загружать сразу все, выбрав их. Можно отформатировать ФС если она повреждена. Там же дана возможность задать SSID и пароль с перезагрузкой. Замена Wi-Fi_Manager.

20. Переписана логика монтирования spiffs, если вдруг раздел назван неправильно (не spiffs) он всё равно будет смонтирован.

21. Добавлено управление вентилятором охлаждения корпуса по bmp180, в setup.htm: Использовать вентилятор, Т включения, Т максимум, N начальная(%), N максимальная (%). В пинах добавлен пин, в случае ESP32 поставил 4, тот же, что на насос воды, будет работать только если не используется насос воды.

22. Добавлено управление регулятором мощности с помощью ШИМ, Modbus, Universal protocol.

23. Добавлено в Setup.htm и SamSetup включение отладочного режима.

24. Сокращен с 0.9 до 0.5 кБ размер регулярно отправляемой JSON строки.

25. Добавлен в debug вывод информации об уровне фрагментации HEAP, туда же перенесен вывод размеров стека разных тасков.

26. Количество строк программы увеличено до 30.

27. Добавлен в вывод на дисплей: статус, давление, скорость насоса, задание мощности, время , время текущее / с момента включения .

28. В режиме отладки добавлено сохранение в текстовый файл bugtrace, а так же coredump.bin и т.п.

29. Перераспределены функции между тасками. Работа с I2C и 1ware в одном таске, несмотря на использование семафора ранее происходили попытки одновременного доступа к I2C.

30. Переделан способ отправки сообщений. (кольцевой буфер на 10 сообщений по 300 байт (не менее 150 русских символов), отправка FIFO. Каждый запрос сервера получит 1 сообщение из очереди буфера. Т.о. если сообщений в буфере будет несколько будет выводиться по одному каждых 2 секунды, пока все не выведет. В случае переполнения буфера самые старые сообщения удаляются. Время пишется в начале сообщения при его добавлении, чтобы при выводе оно было корректным. Если есть PSRAM буфер создаётся в ней на 100 сообщений. Json создаётся раз в 2 секунды, если поступает более 1 запроса отдаётся уже созданный, т.о. два и более клиентов получают все сообщения. Урезан до минимума объём Json строки. (Для Devkit v.1 из-за недостатка памяти буфер на 4 сообщения.)

31. Добавлены в WEB интерфейс индикаторы 13 пинов. Сделано управление скоростью обоих насосов с главной страницы.

32. Разнесены сетевые запросы и чтение i2c в разные таски, убрана поддержка I2C расширителей и i2c Stepper, как потенциальный источник ресетов.

33. Разобрался с потерей связи wifi, добавлена задержка 10 сек на попытки переподключения.

34. В ректификации добавлено ручное управление узлом разбора.

35. Добавлена страница калибровок: Расчет характеристики термисторов. Калибровка по 2 замерам (подмышка и кипение с поправкой на атм. давление). Калибровка датчика протока воды, узла разбора.

36. Автоматическое сохранение программ на FS в текстовом формате, а так-же восстановление их при загрузке.

37. Заменил в интерфейсе алерты на менее надоедливые, сделаны исчезающими как в техстранице, выскакивают в центре экрана, если ошибка - красный, уведомление - зеленый.

38. Устранил периодические недовключения при Вкл.нагрев НБК. Перенес настраиваемую задержку непосредственно перед выдачей команды на разгон регулятору. Убрал обязательную задержку.

39. Поправил в интерфейсе отображение режима регулятора (OFF, ON, BOOST).

40. Добавил ограничение на частоту генерации JSON ответов - не чаще запросов от одного клиента, т.е. 2 сек. Если запросы перемежаются от разных клиентов передаётся сгенерированный ранее JSON. Клиент подавший запрос первым по прошествии с предыдущего запроса 3000 мс назначается ведущим, для него JSON генерируется всегда, остальным копии. Если ведущий перестаёт слать запросы через 3000 мс ведущим может быть назначен первый клиент приславший запрос. Таким образом все онлайн клиенты должны получать все сообщения. Теперь задосить esp32 запросами JSON стало чуть сложнее.

41. Адаптация к ESP32 DEVKIT v.1. Добавил обратно поддержку Liquid Cristal 4*20.

42. Переход на SDK 3.3.5 для увеличения свободного места в HEAP. Небольшой рефакторинг, перетусовал модули и функции по назначению. Настройки теперь просто в INI.h.
dranek Доктор наук Минск 568 553
Отв.3570  04 Нояб. 25, 11:26
Переход на SDK 3.3.2 привнёс проблемы для esp32s3 в виде недостаточного размера стека для таска в библиотеке ESPNtpClient. Увеличение приводило к еще меньшему размеру свободного места в HEAP, что было критично для esp32 devkit v1. Пришлось отказаться от этой излишне навороченной библиотеки и заменить на простую с подстройкой её выдачи под предыдущую, что заодно дало прирост около 5 кБ свободного места в HEAP. Также почистил папку библиотек от неиспользуемых и немного увеличил стек для таска кнопок, а то уже на грани бывал.
Мне не понятно зачем для такой простой задачи как пищалка целый таск, возможно стоит его также заменить на простую функцию в loop().
Samovaritch_v1_2_3.zip
dranek Доктор наук Минск 568 553
Отв.3571  05 Нояб. 25, 11:35
Давно прошивок свежих не было.
Автоматика Самовар
Автоматика Самовар. Вопросы по электр(он)ике.

В борьбе за свободный HEAP мною скрепя сердце принято решение отказаться от библиотеки ArduinoJson. Написаны свои функции для парсинга JSON строк для сохранения SamSetup, они довольно сложные, возможны баги, особенно при изменении настроек, которые я конечно со временем отловлю. Отказ от библиотеки уменьшил размер скетча примерно на 10 кБ и добавил "до кучи" 1-1,5 кБ. Теперь у меня на ESP32 с включенными OTA и LUA после включения и загрузки Index.htm показывает HEAP: около 108500. Ожидал эффекта побольше.
Самый прожорливый до HEAP WiFi, после begin() откусывает сразу 50 кБ. На пару кБ его, урезав функционал, ограничить можно, вот стоит ли? Можно перейти на статический IP, думаю откусит тогда около 40 кБ. Но удобства сильно поубавится.
Также поправлена логика чтения термисторов и DS18B20, и скорей всего не в последний раз.
Samovaritch_v1_2_4.zip
dranek Доктор наук Минск 568 553
Отв.3572  08 Нояб. 25, 00:13
Отбил еще 8 кБ в HEAP. Уже 116,7 кБ свободно на старте при компиляции с ОТА и LUA.
В пылу переписал библиотеку queue на вариант попроще, но основной выигрыш не из-за неё.
Добавил три удобных батника для Windows:
clear_arduino_cashe.bat - очистка прежней папки компиляций, сразу и без лишних вопросов, перед прошивкой этой версии скетча запустить обязательно. Чистит папку C:\\Users\\<Пользователь>\\AppData\\Local\\arduino\\sketches
install_libraries.bat - переименование прежней папки libraries в libraries_old_0 (1,2...) и копирование библиотек вместо неё из папки со скетчем, также запускать обязательно, библиотеки изменились.
restore_libraries.bat - восстановить прежние библиотеки из libraries_old_0 (1,2...).
Samovaritch_v1_2_6.zip
dranek Доктор наук Минск 568 553
Отв.3573  08 Нояб. 25, 14:02
Итак, суровая правда.
В Arduino IDE (точно в версии 2.3.6 с SDK 3.3.2) дефайны вроде
#undef CONFIG_BT_ENABLED

или даже

// ========== ОПТИМИЗАЦИЯ ASYNCTCP ==========
#define CONFIG_ASYNC_TCP_STACK_SIZE 8192 // Уменьшаем стек (было 16384)
#define CONFIG_ASYNC_TCP_TASK_PRIORITY 2 // Понижаем приоритет (было 3)
#define CONFIG_ASYNC_TCP_RUNNING_CORE 0 // Фиксируем на ядре 0
#define CONFIG_ASYNC_TCP_USE_WDT 0 // Отключаем watchdog
#define CONFIG_ASYNC_TCP_MAX_ACK_TIME 3000 // Уменьшаем ACK timeout
#define CONFIG_ASYNC_TCP_QUEUE_SIZE 32 // Уменьшаем размер очереди

// ========== ОТКЛЮЧЕНИЕ BLUETOOTH ==========
#define CONFIG_BT_ENABLED 0
#define CONFIG_BLUEDROID_ENABLED 0
#define CONFIG_BTDM_CTRL_MODE_BLE_ONLY 0
#define CONFIG_BTDM_CTRL_MODE_BR_EDR_ONLY 0
#define CONFIG_BTDM_CTRL_MODE_BTDM 0

// ========== ОПТИМИЗАЦИЯ FREERTOS ==========
#define CONFIG_FREERTOS_UNICORE 1 // Используем только 1 ядро
#define CONFIG_FREERTOS_HZ 100 // Уменьшаем частоту тиков

// ========== ОПТИМИЗАЦИЯ WIFI ==========
#define CONFIG_ESP32_WIFI_STATIC_RX_BUFFER_NUM 4
#define CONFIG_ESP32_WIFI_DYNAMIC_RX_BUFFER_NUM 16
#define CONFIG_ESP32_WIFI_STATIC_TX_BUFFER_NUM 4

// ========== ОПТИМИЗАЦИЯ СЕТИ ==========
#define CONFIG_LWIP_MAX_SOCKETS 8 // Уменьшаем макс. сокетов

не работают, от слова совсем. Это для PlatformIO. Я перепробовал всё, правил платы в boards.txt, подсовывал конфиги, эти флаги не работают. Видимо на этапе установки SDK всё это уже скомпилировано.
Единственный работающий способ - правка непосредственно библиотек, что я и сделал с AsyncTCP.h.

Всех перевести на PlatformIO? Слишком сложно будет для многих. Да я и сам не особо хочу.
Остаётся Arduino IDE.

И раз уж Bluetooth у нас вcё равно работает и кушает свои 10 кБ HEAP, и размеры скетча теперь не проблема накидывайте идеи как его использовать.

Проверяется легко, вот так:
#ifdef CONFIG_BT_ENABLED
Serial.println("BLUETOOTH: ENABLED");
#else
Serial.println("BLUETOOTH: DISABLED - OK");
#endif
не смотря на #undef CONFIG_BT_ENABLED в начале скетча увидите в мониторе порта "BLUETOOTH: ENABLED")

UPD Я попробовал добавить BLE Serial (аналог Bluetooth Serial) и прошил ESP32S3, работает, однако прошивка выросла до 1740 кБ (а на ESP32 аж до 2265кБ) и вместо 180 кБ свободной HEAP на ESP32S3 теперь 90 кБ, по опыту этого слишком мало для стабильной работы, так что видимо смысла нет, хотя на первый взгляд всё работает нормально, и BLE Serial тоже, сообщения в телефон приходят и отправляются. DEVKIT v.1 наверняка не вытянет. Оставлю это пока для коллекции.
vad2112 Бакалавр Москва 63 10
Отв.3574  09 Нояб. 25, 23:40
Заметил не всегда уведомления приходят в телеграм, как отследить баг?
Samovar, [08.11.2025 13:12]
Самовар готов к работе; IP=http://192.168.3.104

Samovar, [08.11.2025 13:13]
Самовар - Причина последней перезагрузки: Software reset digital core

О дальнейшем процессе тишина полная. Такое не всегда, иногда о всех строках программы инфа падает в телеграм
dranek Доктор наук Минск 568 553
Отв.3575  10 Нояб. 25, 11:43
vad2112, поскольку эту часть в моде не менял в нем тоже Телеграм не отличается 100% надежностью. Некоторые сообщения могут 30 минут идти.
Надо понимать, что подключение по WiFi у вас при этом активно (Web интерфейс нормально работает). Возможно пропадает связь роутера с внешней сетью.
Попробуйте в момент, когда сообщения должны приходить, но не приходят из командной строки попинговать сервер (ping 212.237.16.93).
Хотя, думаю просто таковы нынешние реалии, блокировки и т.п.
Kuban Доктор наук Краснодар 659 518
Отв.3576  11 Нояб. 25, 16:42
Поздравляю всех Само(вар/гон)щиков с днем Рождения Самовара!
Автоматика Самовар
Автоматика Самовар. Вопросы по электр(он)ике.

Нам 5 лет! Время летит. Мы растем.
На следующий год нужно готовиться идти в школу (-.
Автоматика Самовар
Автоматика Самовар. Вопросы по электр(он)ике.
dranek Доктор наук Минск 568 553
Отв.3577  12 Нояб. 25, 17:19
В WEB интерфейсе убран фантомный запрос favicon.ico, после тестирования снижен размер стека AsyncTCP до 4096 байт (HEAP на старте в ESP32 121.2 кБ, цель достигнута), поправлена модель корпуса для варианта с ESP32S3 и гербер файлы платы.
Samovaritch_v1_2_7.7z

Почти закончил сборку контрольного экземпляра, не хватает только 3 разъемов на LUA порты.
IMG_20251112_155912.jpg
IMG_20251112_155912. Автоматика Самовар. Вопросы по электр(он)ике.
IMG_20251112_160149.jpg
IMG_20251112_160149. Автоматика Самовар. Вопросы по электр(он)ике.


Просьба, поставьте здесь лайки те, кто уже прошивал и доволен. Или в личку напишите.
Обратной связи кроме спасибов нет, у меня ощущение, что это мало кому надо.
Если это так новых версий не будет, меня в данной всё устраивает. Разве что баг найдётся серьёзный.
ser52 Специалист Москва 185 41
Отв.3578  13 Нояб. 25, 17:43
dranek, поясни как в измерителе поменять последовательность вывода адресов Т датчиков в автоматику.
dranek Доктор наук Минск 568 553
Отв.3579  13 Нояб. 25, 18:35 (через 53 мин)
ser52, Пока что такой целью не задавался. Заметил только, что последовательность при сканировании похоже всегда одна. Данная часть кода написана не мной и находится скорей всего в одной из библиотек.
Не проще ли термисторы поменять местами чтобы совпала с нужной?

Добавлено через 4ч. 35мин.:

Вообще термисторы по сравнению с DS18B20 просто сказка, особенно если подключить обе ADS1117 к I2C Самоварыча. Ни разу не пожалел о переходе на них.
Маленькие, можно вставить в любую гильзу, не боятся контакта со средой, после калибровки точные, низкая инерционность, гораздо меньшая дискретность и высокая стабильность измерений, когда лежат на столе реагируют в сотых если на них выдохнуть с полуметра. Очень просто примотать к любой трубке. Всё это вносит соответствующий вклад в качество ректа. А еще дешевые до безобразия. Я купил на али 20 шт. уже припаянных к проводам 10 см и залитых пластиком, осталось только нарастить до нужной длины. Причем никаких особых требований к проводам, нарастил двужильным, что под руку подвернулось.
А еще нет этого дурацкого программного выбора соответствия датчика измеряемой температуре, и соответственно заморочек, когда у вас один из датчиков вдруг при включении не распознался, а вы не заметили и что то поменяли в настройках, после чего Самовар успешно этот датчик забыл, а тут всё просто и надёжно - в какое гнездо воткнул - то и измеряет. Неисправность - только обрыв, и его сразу видно по измерениям.
Со времени перехода оставшиеся DS18B20 использую только при тестировании прошивок для обратной совместимости.
сообщение удалено